この記事はアフィリエイト広告を利用しています。
目次
2026年度(2025下期出題) 第一種技能 複線図 NO9
公表されたNO9の単線図

この問題はタイムスイッチと自動点滅器を使い屋外灯を点灯させるというもの。
単相100Vの取り出しに関してはuーoあるいはv-oのどちらかが指定されていればそれに従います。指定されていなければどちらからでも構いません。
また、この複線図を書くには展開接続図がカギとなります。
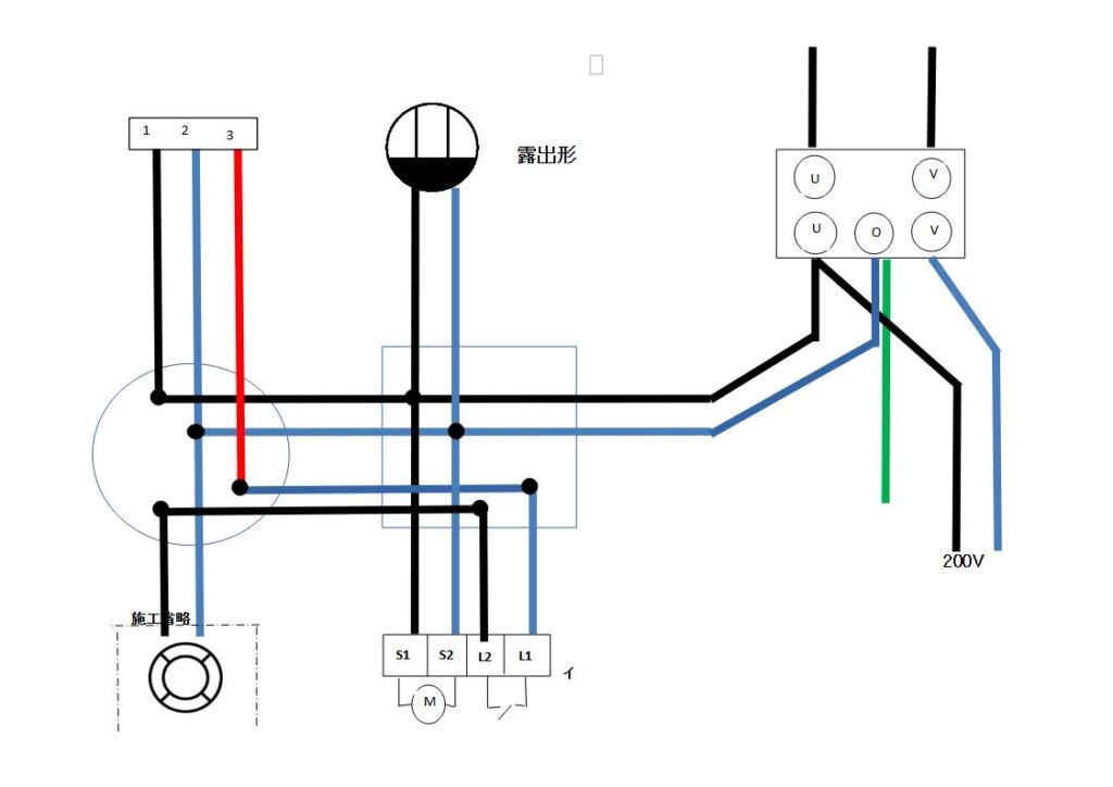
第一種電気工事士 公表問題 NO9の複線図
タイムスイッチ4端子
2025年度下期出題された複線図
公表単線図とは反転したものです
公表単線図に基づく複線図

最初の複線図は100Vの接続をuーoにしています。
この展開接続図によると、屋外灯が点灯するには、タイムスイッチと自動点滅器の両方の接点が閉じないとつきません。
タイムスイッチだけ接点が閉じても自動点滅器が作動していなければ屋外灯はつきませんし、その逆も同じです。
2024年度実際に出題された複線図

自動点滅器と屋外灯及びコンセントの位置が変わった場合の複線図

試験センターの過去問から抜粋
OR回路(タイムスイッチ3端子)

この回路の展開接続図によると、タイムスイッチと自動点滅器が並列に接続されていて、どちらか一方の接点が閉じれば屋外灯は点灯するものです。
AND回路(タイムスイッチ3端子)
この回路の展開図を見ると、タイムスイッチが入らないと自動点滅器への電源が供給されないことになります。
従って、タイムスイッチから自動点滅器の1番につないでおくことにより自動点滅器3番から出力できますので屋外灯が点灯することになります。

