コンテンツへスキップ
ナビゲーションに移動
第一種電気工事士技能試験対策|格安で少人数制の実技講習開催のECQ
ホーム
複線図
電線・器具・工具購入紹介
講習会
講習会
技能講習申込みフォーム
第一種技能の施工
第一種技能の施工
第一種技能・変圧器結線
第一種技能電線剥ぎ取り
施工条件
電工1種技能対策DVD
体験談2025
投稿
HOME
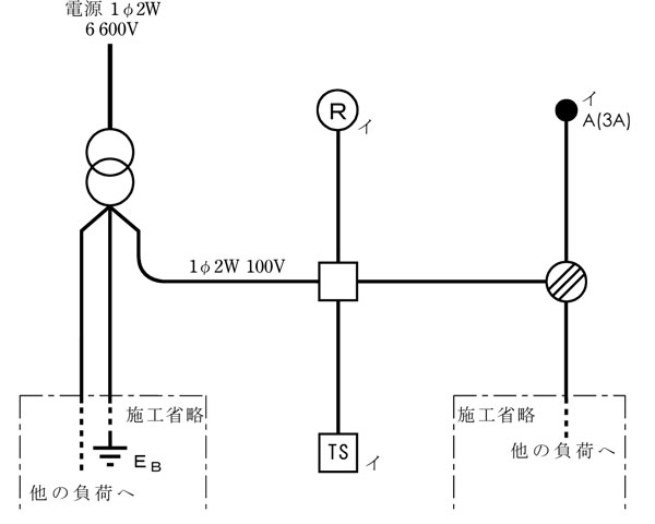
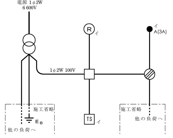
第一種電気工事士技能|公表問題No9の器具入れ替えによる複線図の追加
9tansen
2017年11月30日
/ 最終更新日時 :
2017年11月30日
ecq1syu
9tansen
Facebook
X
Bluesky
MENU
ホーム
複線図
講習会
電線・器具・工具購入紹介
第一種技能の施工
第一種技能・変圧器結線
第一種技能電線剥ぎ取り
電工1種技能対策DVD
PAGE TOP