コンテンツへスキップ ナビゲーションに移動

第一種電気工事士技能試験対策|格安で少人数制の実技講習開催のECQ

  • ホーム
  • 複線図
  • 電線・器具・工具購入紹介
  • 講習会
    • 講習会
    • 技能講習申込みフォーム
  • 第一種技能の施工
    • 第一種技能の施工
    • 第一種技能・変圧器結線
    • 第一種技能電線剥ぎ取り
  • 施工条件
  • 電工1種技能対策DVD
  • 体験談2025

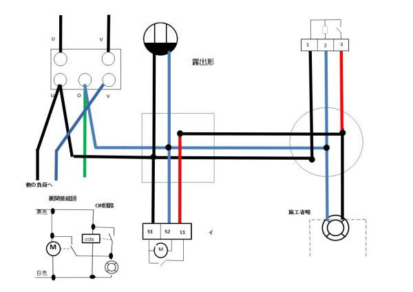
2022_n09OR回路

  1. HOME
  2. 複線図
  3. NO9
  4. 2022_n09OR回路

  • Facebook
  • X
  • Bluesky

カテゴリー アーカイブ



ムキチョッパ
タジマ(Tajima) ムキチョッパ (ケーブルストリッパー) DK-MC40
Amazon


ワイヤーストリッパー
ベッセル(VESSEL) ワイヤーストリッパー 電気工事士技能試験対応 より線C 3000C
Amazon

講習費用はAirPayの決済ができます


ECQの技能講習会
詳しくはこちら
  • サイトマップ
  • アクセス
  • 特定商取引に関する法律に基づく表示|プライバシーポリシー
  • 技能講習申込みフォーム

受講者の声

  • 体験談2025
  • 体験談2024
  • 体験談2023
  • 体験談2022
  • 体験談2021
  • 体験談2020
  • 体験談2019
  • 体験談2018
  • 体験談2017
  • 体験談2016
  • 体験談2015
  • 体験談 2014
  • 体験談 ~2013

Copyright © 第一種電気工事士技能試験対策|格安で少人数制の実技講習開催のECQ All Rights Reserved.

Powered by WordPress with Lightning Theme & VK All in One Expansion Unit

MENU

カテゴリー

  • ホーム
  • 複線図
  • 講習会
  • 電線・器具・工具購入紹介
  • 第一種技能の施工
    • 第一種技能・変圧器結線
    • 第一種技能電線剥ぎ取り
  • 電工1種技能対策DVD
  • 第一種電気工事士技能講習を愛知(名古屋)岐阜・三重でお探しなら格安講習のECQ
  • 第一種電気工事士技能を目指す方必見|VVF4心の剥ぎ取り方で差をつけよう
  • ECQ令和7年度(2025年度)第一種電気工事士技能・実技講習会|少人数制で開催のお知らせ
  • ECQ令和6年度(2024年度)第一種電気工事士技能・実技講習会|少人数制で開催のお知らせ
  • 第一種電気工事士技能での思わぬ欠陥例を紹介|他人ごとではない自分もやってしまうかも
PAGE TOP